查看: 12927|回复: 12
打印 上一主题 下一主题

中国强化木地板成本白皮书

[复制链接]
跳转到指定楼层
1
发表于 2006-3-23 11:42:42 | 只看该作者 回帖奖励 |倒序浏览 |阅读模式

中国强化木地板成本白皮书

. P( [$ r# L" Y% B0 c' l5 P


2
发表于 2006-3-23 11:49:15 | 只看该作者
哪里起草的?
回复

使用道具 举报

3
发表于 2006-3-23 14:37:59 | 只看该作者

网上搜了下,终于找到了出处:

8 ^, d9 I) ^" d2 }- F# r

就中国当前强化木地板市场的恶意竞争和混乱、无序现象,中华全国工商业联合会家具装饰业商会发布了科学消费,诚信回归之《中国强化木地板成本白皮书》。

  成本白皮书主要针对目前市场上盛行的8mmE0级抗菌强化木地板的成本问题,披露其详实细节及参考零售价格区间数字,涵盖了2002-2005年产品获得国家免检企业名单和达标产品的性能、品类、规格和质量要求等指标和生产流程。

  据成本白皮书中介绍:目前中国强化木地板生产企业超达800家,总约产3.8亿平方米。但是,由于长久无序的竞争,该行业目前处于离散化,据悉,中国市场目前存在5000多个品牌。

  成本白皮书中预计:强化木地板作为中国市场中一个新兴的朝阳产业,在今后的几年中增长速度略有放缓,但仍会将以20%的速度增长。

回复

使用道具 举报

4
发表于 2006-3-23 14:55:48 | 只看该作者

这篇白皮书写的蛮详细的,网帆本想写篇强化地板专题的,这下好了,可以省去不少精力了,先将白皮书全文传上,再接着写我对强化地板的看法和南通市场上的强化地板品牌。

回复

使用道具 举报

5
发表于 2006-3-23 15:26:37 | 只看该作者

中国强化地板成本白皮书

7 x0 r5 m, e9 x* w' Z4 B

目 录

8 {( [2 ^3 K" S( H- Y

1、 强化木地板市场概况
1.1强化木地板定义……
1.2强化木地板的市场状况……
1.3强化木地板市场竞争态势……
1.4强化木地板消费者分析……
1.5强化木地板市场发展趋势……

5 D& u4 G7 i6 Y* a

2、强化木地板产品概要……
2.1强化木地板的性能……
2.2强化木地板的结构……
2.3强化木地板的品类和规格……
2.4强化木地板的质量……

. A1 q: G. T5 ]4 @5 p, i

3、强化木地板的生产技术篇……
3.1强化木地板的生产流程……
3.2决定强化木地板质量的主要因素…
3.2.1原材料……
3.2.2技术工艺……

. p. c7 G+ R1 g+ o6 i& s0 b$ p

4、强化木地板的成本分析……
4.18mmE0级强化木地板……
4.28mmE0级强化木地板的成本分析……
4.38mmE0级强化木地板的参考零售价格区间……
4.4关于价格的说明…

- p4 k- L9 }" ]! k9 I0 i

5、 强化木地板消费指南……
5.1. 存在的问题……
5.1.1强化木地板市场存在的不规范……
5.1.2消费误区……
5.2 强化木地板质量的判定……
5.2.1 从外观判断质量…
5.2.2从理化指标来判断质量…
5.3.质量与价格的判定……
5.4选购提示…
5.4.1如何选择产品的功能…
5.4.2如何选择产品的款式…
5.4.3如何选择产品的结构…

* b$ y6 @6 A! ?' O) K2 G

6、科学消费,诚信回归……
6.1 警惕“五劣板” ……
6.2 购买场所的选择
6.3获得国家免检产品的企业和品牌
6.4为消费者创造新价值

回复

使用道具 举报

6
发表于 2006-3-23 15:28:20 | 只看该作者

1 强化木地板市场概况

1 强化木地板市场概况

W* u/ x+ |3 A+ l0 e

1.1强化木地板的定义

" j4 k5 R) f1 N& L6 k& T

强化木地板,学名为浸渍纸层压木质地板,是以一层或多层专用纸浸渍热固性氨基树脂,铺装在刨花板、中密度纤维板、高密度纤维板等人造板基材表层,背面加平衡层,正面加耐磨层,经热压而成的地板。本书中为适应消费者的习惯,一般以强化木地板称谓。

7 G3 T0 W4 f) D' D# j" Z

1.2强化木地板市场状况

6 E2 |- t# q$ c, F7 t0 ^

1995年前后,强化木地板作为符合国家可持续发展战略的利国利民的绿色环保产品被引入国内,我国的强化木地板产业经历了跳跃式的发展。在十年间经历了从无到有、从纯进口到国内加工、直至形成完整的产业链,以及以绝对优势的出口量超过进口量的过程跳跃式的发展。前几年来,强化木地板产业以每年约30%的速度保持着快速的增长,已领先于其他品类木地板市场而独占鳌头,成为地面铺装材料的主导产业。形成了一批令世界瞩目的生产基地,建立和完善了一套具有中国特色的产品质量标准,培育起一个潜力巨大的消费市场。我国主流强化木地板的企业规模、技术装备、品种质量、售后服务、营销理念、企业管理都基本与国际先进水平接轨。目前,强化木地板的生产企业超过800家,产能约3.8亿平方米,年产销量超过200万平方米的企业超过40家,与此同时也存在一些问题:如产品质量良莠不齐、企业规模小的居多,假冒伪劣等,经营过程中也有不正当竞争现象,部分企业售后服务不到位,不同程度地影响了行业的健康发展。

强化木地板作为一种新型环保建材产品,在市场竞争中具有以下明显竞争优势:
1、政策优势:强化木地板符合国家可持续发展的产业政策,符合国家环境保护相关政策,是国家重点支持的产业。
2、产品优势:强化木地板具有耐磨、美观、环保、防潮、阻燃、防蛀、安装便捷、易清洁护理、经济实用等优点。
3、市场优势:随着强化木地板品质不断提高,产品更加艺术化、个性化,更时尚、美观,更环保,表面处理技术更趋先进和多样化,其市场容量会进一步扩大,将由大、中城市逐步进入小城市,直至乡镇。
4、成本优势:与其它木地板品类相比,强化木地板具有价格和成本上的优势,更大程度地满足了广大消费者不同层次的需求。
这些优势是这个行业蓬勃发展的动力,使强化木地板成为市场规模最大、发展速度最快的地板品类,并形成了如下特点:
1、强化木地板企业擅长营销策划,善于追逐时尚,注重新产品宣传,有效地提升了市场对强化木地板的认知度。
2、产品时尚化、多样化、个性化趋势明显。
3、技术进步明显、专利权成批涌现,出现了防潮、抗菌、静音、地热、运动型等功能性地板,并逐步进入市场。
4、企业核心竞争力的关注点从产品研发、生产、销售发展到特色的服务差异化。

& N& w7 }1 q' I" j# | N" I! U

1.3强化木地板市场竞争态势

' Y. \" c6 |2 C+ G3 \+ h" {* M$ M/ x

当前的市场需求的增长幅度已趋于平稳。由于市场增量的减少,使得各厂商围绕存量市场竞争的强度将更加激烈。

该行业依然是个离散化的行业,约有5000余个品牌存在,若干多规模相近的公司在市场上竞争,知名度较高企业的市场份额也没有一个超过10%。长久的无序竞争、无序发展对社会资源是个浪费。随着强化木地板产品进入成熟期,市场细分加快,技术进步和知识产权的重要性越来越明显,基于规模的成本竞争和基于创新的价值竞争渐成行业竞争的主流。低价竞争逐步让位于品牌、品质竞争,饱受低价薄利之苦的企业纷纷走上建设品牌打造品牌的健康发展之路。主流企业更加重视品牌建设,善于培育品牌,增加品牌的附加值。而非主流企业的产品质量水平明显下降,随着竞争的加剧,产品价格也直线下跌,市场集中度将逐渐提高。

. h) `% ]7 e u5 M7 i

1.4强化木地板市场消费者分析

/ A7 m1 f8 I! `

消费者收入差距、教育背景差距拉大后,消费者层次增加,细分市场增多,对功能性产品的需求加大。
消费者理性化知识程度提高,对产品本身的理解加深。消费行为日趋成熟,注重品牌而不盲目推崇,更关注性价比。
消费者权利意识增强,对服务要求会更高。

6 f5 i0 G% d" W

1.5强化木地板行业发展趋势

. L5 }% \9 C) Y* x

强化木地板产业在今后的几年中增长速度略有放缓,但仍会将以超过20%的速度增长,主导地面装饰材料。作为一个新兴的朝阳产业,它的发展前景将十分广阔。总体发展趋势是:生产规模合理化、质量标准化、品牌集中化、市场国际化、品种多元化、消费理性化、服务规范化。

$ |+ S9 u3 ?# `$ z

1、激烈的竞争有利于产业健康发展
竞争环境造就了我国强化木地板主流企业的营销理念现代化。作为终端产品直接面对消费者,必然有众多企业和品牌为得到消费者的关注纷纷参与正面竞争,并有部分企业跨出国门参与国际竞争。
2、好的市场战略是企业成功的关键
更多的企业会致力于获取信息,预测市场需求,分析宏观环境的需要和趋势,分析消费者市场行为,分析竞争者,分析营销机会,细分和选择目标市场,从而制定适宜的市场战略。通过创造、传递和沟通优质的顾客价值,获得、保持和增加顾客;以自身营销实践来倡导诚信,从而获得较高的信誉和市场份额。
3、提升人员素质是企业脱颖而出的必要因素
人才是地板行业崛起的重要动力,人力资源开发将成为提高地板企业核心竞争力的重要措施之一。地板业的高成长性吸引了一批精英陆续加入,给这个既传统又新潮的行业带来勃勃生机。
4、整合重组是行业提升的希望
外资及上市公司资本的大规模进入,相应提高了行业的技术装备水平,也带来企业组织结构以至文化、市场的更新。促进企业间的合作和整合,形成中国制造地板团队的国际竞争力。大整合带来大提升的现象方兴未艾,它给这个传统行业带来质的飞跃,其积极影响将深刻而长远。随着市场竞争加剧,将会形成20%的品牌占领80%的市场份额,知名品牌的地位会越来越突出。
5、市场国际化机会和挑战并存
随着全球经济一体化进程的加快,更多的国外品牌将进入中国市场,国内品牌将走向国际;国际市场开拓的序幕已经掀起,先行者正进一步规划境外设库办厂。我国木地板已销向北美、西欧、中东、澳洲、东北亚、东南亚。持续强劲的需求提供了发展的机会,博弈的胜者将能占领可观的市场。
6、技术革新和进步是推动行业进一步发展
科学技术的进步将推进新产品进程,技术工艺不断更新,为市场提供更多更好更环保的优质产品;专利技术不断产生,核心技术逐步自有化。企业将进行更多的技术和工艺研究开发,将产品设计与我国文化、与目标市场文化进行对接。根据目标市场需求进行适宜的外观设计、开发适宜的实用技术,从结构设计、材料选用、工艺开发、研发等各方面为产品占领市场提供发展动力。
7、行业逐趋向规范化发展,产品和服务进一步标准化
质量是企业的生命、行业发展的基础。产品和服务实现标准化是良性开拓国际市场的先决条件,是中国制造产品赢得国内市场、国际市场信心的必要保证。消费者需求的提高还将推动企业加大对售后服务的投入,不断提高服务质量,服务方式和服务内容。建立诚信运行机制,提升行业服务质量,通过切实可行的方案保护消费者权益。
实施行业调度制度,促使企业对行业组织信息透明化,积极研究行业真实运行情况,积极调研国内国际市场现状和发展走势,从而降低木地板企业的投资和营销风险。放心消费中国制造木地板产品将是行业共同努力的目标。
8、产业格局将有利于可持续发展
相较于实木地板的资源制约,强化木地板产销量将大幅度提高,价格将在低水平徘徊。同时,随着上游资源的压力增强,企业产业链将进一步向上游发展,集团化的企业将竭力争取对上游资源的控制力,确保企业的可持续发展。
9、发展过程中将不断出现新问题及面临新挑战
木地板产业突飞猛进的同时也出现一些新问题,面临一些新挑战:如强化木地板基材供应数量和质量的稳定问题,许多企业规模小,结构不尽合理;行业内企业和品牌众多,激烈的竞争中难以长期共存;现在出口依赖的是低价竞争,肯定会遭遇反倾销等贸易壁垒;产品品种仍不能完全适应市场需要,研发和创新是我们行业的软肋,原创型的自主知识产权稀缺,专利权已成为我国强化木地板走向欧美发达国家的重大障碍。信息化处于起步阶段,市场上鱼龙混杂严重影响了行业的正常运行,低价倾销、假冒伪劣成为行业顽疾。管理理念守旧是制约行业发展的瓶颈。大部分企业品牌意识淡薄妨碍企业和行业可持续发展。为此,必须实施资源大整合和企业档次、行业水平的大提升,从而实现跨越式的大发展。

回复

使用道具 举报

7
发表于 2006-3-23 15:52:53 | 只看该作者

2 强化木地板产品概要
2.1. 强化木地板的性能
强化木地板为是以一层或多层专用纸浸渍热固性氨基树脂,铺装在刨花板、中密度纤维板、高密度纤维板等人造板基材表层,背面加平衡层,正面加耐磨层,经热压而成的地板。其学名为浸渍纸层压木质地板。本书中为适应消费者的习惯,一般以强化木地板称谓。
其性能是耐磨、抗冲击、抗变形、耐污染、阻燃、防潮、环保、不褪色、安装简便、易打理。
2.2. 强化木地板的结构
普通的强化木地板,它的结构一般分为四层:耐麿层(三氧化二铝)、装饰纸、基材(高密度板)、平衡层(平衡纸)


强化木地板的表层又叫耐磨层。其是采用三氧化二铝或碳化硅覆盖在装饰纸上,要求用于表面涂层的三氧化二铝极细,在工艺上既不遮盖装饰层上的花纹和色彩,又要均匀而细密地附着在装饰层的表面。常说的强化木地板的耐磨转数(耐磨系数)直接取决于其表层三氧化二铝或碳化硅的用量。适宜于普通家庭使用的,表层三氧化二铝的用量多为46g/m2、62g/m2的地板。目前,在工艺上我国还无法自行生产含有三氧化二铝或碳化硅的饰面纸,需依赖进口。
装饰层也就是花纹层。这一层根据原始木纹照相而成,并经过特殊加工的一种美观耐用的表层纸。装饰层可仿真制作各类材种的木材花纹,甚至还可摹仿石材的纹路以及创造出一些独特的图案。利用三聚氢胺浸渍过的装饰纸,具有强力抗紫外光的优点,经过长期照射不会引起褪色。
基材层就是基础层。它是强化木地板的主体部分,多数强化木地板都是采用密度板作为基材的,因为密度板具有许多原木材所不具有的优点,如密度板结构细密均一、颗粒分布平均等,其密度通常在0.80g/cm3 ~1.00g/ cm3,基材的厚度根据产品的不同而不同。
平衡层即防潮层一般采用聚酯材料,可以阻隔来自地面的潮气和水分,从而保护地板不受地面潮湿的影响,且起到与上面几层的平衡作用。
除了普通的强化木地板以外,目前市场上出现了功能性强化木地板,如运动型强化木地板,它的结构除普通强化木地板的四层结构外,还多了一个运动加强层。其韧性、抗冲击性、耐磨度、稳定性、强性和运动性等指标都产生阶段性提升,为室内运动提供了更大的空间。


2.3. 强化木地板的主要品类和规格
2.3.1 强化木地板的主要品类
市场上的强化木地板在不同的发展阶段主要以下面几种为代表:
第一阶段:平扣地板。强化木地板发展初期的主要产品,在拼接处经常出现反翘、变形等现象。
第二阶段:锁扣地板。在拼接上实现了突破,综合品质也有了进一步提升,但在材质和外观方面还有欠缺。
第三阶段:浮雕地板。在材质及表面结构上都取得了阶段性突破,地板的观赏性和功能性大大加强,并解决了地板铺装的高低差问题,但在环保、抗菌、防污染方面仍显不足。
第四阶段:以E0、抗菌等为代表的环保地板。健康成为焦点,E0、全时能抗菌则成为木地板新的健康标志,在环保、全时能抗菌方面成为难以超越的标准。
随着消费观念的变化,环保、健康已成为最基本的诉求点,消费者对功能的需求越来越强劲。针对人们这种生活理念的改变,市场上出现了以“运动与健康”为标准的运动型地板,将居家、运动、健康实现了完美融合。
2.3.2 强化木地板的主要规格
强化木地板的规格主要是通过改变单板的长度、宽度和厚度来实现的。强化木地板的长度范围通常为1200-1820mm,而宽度为182-225mm,厚度为6-12mm

浸渍纸层压木质地板的厚度主要可分为:6mm7mm8mm8.5mm9mm12mm
浸渍纸层木质地板的榫舌宽度应大于等于3mm
根据市场的需求,特殊产品的规格不在此列;
2.4. 强化木地板的质量
强化木地板的质量主要从四个方面衡量:外观质量、加工精度、理化性能和环保性能(甲醛解放量)。
外观质量、加工精度、理性化能执行GB/T 18102—2000《浸渍纸层压木质地板》
甲醛释放量执行GB 18580—2001《室内装饰装修材料 人造板及其制品甲醛释放限量》(国家强制性标准)





1 `5 j2 Q# O5 a* Z% R, P8 e

注解:
浸渍纸层压木质地板——即为强化木地板
此标准由中华人民共和国国家质量监督检验检疫总局发布,自2001年7月1日起正式实施;

回复

使用道具 举报

8
发表于 2006-3-23 15:59:57 | 只看该作者

3.强化木地板的生产技术篇

强化木地板的生产技术篇
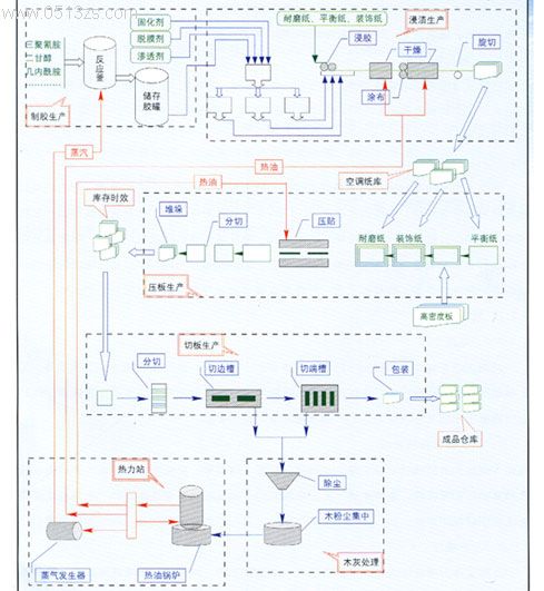
3.1. 强化木地板的生产流程
一个完整的强化木地板生产流程应该由制胶、浸渍、组坯、压板、养生、开榫槽、分等、包装、入库等相关工序构成,其中每个环节均要求严格的质量及工艺控制。下图是简单的流程示意图


) o: R- }8 M; r- d$ n

3 3.2.决定强化木地板质量的主要因素
3.2.1原材料
1、.耐磨层:
耐磨层是决定强化木地板使用寿命的重要因素,耐磨层通常为耐磨纸。优质耐磨纸具有高耐磨性、高透明度和优异的物理力学性能。耐磨性能通常以每平方米的三氧化二铝的克重来衡量,通常为46g/m2和62g/m2等。
2、装饰胶膜纸:
好的装饰胶膜纸应花纹清晰、无污染、颜色匹配、不褪色,并且浸胶量、挥发物含量、预固化度等方面均应符合LY/T1143—1993标准要求。使用前要求保存在一定温度、湿度、通风环境下。
3、基材:
强化木地板的基材是产品的重要原材料,很大程度上决定了产品的品质。一般选用密度在0.80—1.00g/cm3之间的纤维板,基材的厚度根据产品的不同而不同,大部分基材厚度在6—12mm左右,每片基材原料必须保持平整,厚度偏差在0.22mm以内。基材必须具有很好的可加工性能、防潮性能、物理力学性能。优质的基材必须以应用先进的设备、科学的工艺、严格的管理与质量控制作为保证才能生产出来。
3.2.2技术工艺
1、贴面工艺:
贴面工序是强化木地板制作过程中很重要的工序之一,贴面压机要求加工精度高、工艺参数能够严格控制,如:热压时间、热压温度、热压压力能够满足生产工艺要求。否则会对后道工序以至于强化木地板的产品质量产生严重的影响。
2、.表面结构的处理:
强化木地板的表面结构多种多样,如浮雕、亮面等,此类产品的加工方法是通过不同压板模具而实现。一般而言,无论是浮雕的或者是亮面的产品都必须是装饰功能服从使用功能。如:使用时应具备防滑、易于打理、表面耐磨、耐污染等特点。
3、.榫槽加工:
此项工序为强化木地板生产过程的另一道重要工序,榫槽加工精度直接决定着产品安装及使用效果,如高低差、拼装离缝和结合强度;此外,此道工序也是容易产生毛边、蹦边的环节,要避免此类缺陷必须及时更换刀具。
4、.标记、包装、运输、贮存:
产品标记:产品入库前,应在产品适当部位标记制造厂名称、产品名称、产品型号、商标、生产日期及产品类别、等级、规格等。
产品标签:产品标签上应有生产厂家名称、地址、出厂日期、产品名称、数量及防潮、防晒等标记。
成品的包装要求:产品出厂时应按产品类别、规格、等级分别包装。企业应根据自己产品的特点提供详尽的文安装及使用说明书。包装要做到产品免受磕碰、划伤和污损。
成品贮存环境:产品在运输和贮存过程中应平整堆放,防止污损,不得受潮、雨淋和曝晒。贮存时应按类别、规格、等级分别堆放,每堆都要有相应的标记。

回复

使用道具 举报

9
发表于 2006-3-23 16:02:35 | 只看该作者

4 强化木地板成本分析

4 强化木地板成本分析

: _# Q5 H$ Q1 y7 N

当前强化木地板的市场现状非常混乱,假冒产品众多、价格参差不齐,尤其是“五劣板”的存在,其价格底线深不可测,严重扰乱了市场经济秩序。为了强化木地板行业的良性发展,及让消费者明明白白消费,我们针对市场上盛行的8mmE0级抗菌强化木地板的成本进行了调查,并公开披露了强化木地板的详实成本细节,及参考零售价格区间,旨在让强化木地板消费者认清隐藏在价格背后的真实情况。

3 K' Q- t% l8 N+ W

4.1 8mmEO级强化木地板
对于强化木地板而言,“健康”的重要检测指标是甲醛释放量,这也是消费者最为关注的问题。E0作为强化木地板的高品质基材,最早源于欧洲的强化木地板制造商,它要求地板甲醛释放量的平均值小于0.5mg/L。目前在国内,随着消费者对健康关注度的提高,主流品牌的强化木地板厂商都开始提供基于E0品质的产品。

; j, z e8 D0 R8 a

4.2 8mmEO级强化木地板的成本分析
不同规模的厂商,不同性能的产品,以及不同的品牌,存在着成本差异。我们仅以8mm E0级的地板为例,参考行业大致情况,对其进行了成本分析:

主要原材料成本
项目 产品描述 规格 价格(元/平米)
1、基材: E0级基材 1250*2460mm, 21 元/平米左右;
2、耐磨纸:国外进口 1250mm*46g/m2 2元/平米左右;
3、装饰纸:进口原纸 1250mm* 70g/m2 5元/平米左右;
4、平衡纸:浅绿色 1250mm*100 g/m2 1元/平米左右;

考虑到各厂商的订货量、加工工艺等情况有所不同,主要原材料成本合计约:28--30 元/平米

o, r' n) e. l& t+ C( ~3 p

其它成本、费用及利润计提:13--15元左右,主要包括压贴、开槽、包装、人工等工艺成本及其它费用计提。
出厂成品价格:41--45元/平米

; u4 F3 ^0 _2 l3 ~! M9 `

需要说明的是,有些E0级地板附加了一些其它功能比如抗菌功能等,其基本上采用的是复合型抗菌合剂,通过抗菌剂被激发后与空气中的氧气和水产生超氧离子和氢氧根,能够使细菌细胞活性得到抑制,达到抗菌抑菌作用。复合型抗菌合剂的使用,使抗菌作用发挥得更为广谱、多效和高效,对各种细菌、霉菌都有抑制作用,同时由于复合抗菌剂具有多重成分,因此,除抗菌功能外,还能祛除油污、防霉、降解室内有害气体。但这对成本的影响并不大,一般复合抗菌剂,每平米成本在一元以内。

\+ W; n! _+ Q3 B; x

4.3 8mmEO级强化木地板的参考零售价格区间

$ w& _* Z+ ] b0 U$ c0 s

强化木地板的流通方式一般为传统的渠道销售、装饰公司和建材超市,其中渠道销售模式是流通体系的主要方式,组成部分包括制造商、经销商和零售商,有时经销商本身也是零售商。我们仅就此流通模式做了调查分析。

5 W+ T/ @4 E; G% d+ i" P

强化木地板的出厂价格一般为41—45元,经销商计提其各种费用及利润后通常以6元/平米左右的价格差放货给零售商,即零售商的进货价一般在47—51元之间。零售商直接面对客户,负责安装、配备辅料等服务。零售商为消费者提供满意的安装服务(含辅料),费用约在8.5元/平米左右,零售商需要支付各种终端费用,一般每平米加价9.5元进入终端市场。

Z% `- C L$ ]6 U z( n$ w8 Q/ ~

通过上述成本及费用的分配,一般而言8mmE0级强化木地板(包括24小时持续抗菌功能的地板)的参考零售价格区间应该在: 65元—69元之间。

% s% c- m6 d; z4 T8 e$ P9 V& S+ o

如果经销商同时也是零售商,那么其利润空间会相对较大。但随着市场竞争的加剧,经销商的利润空间会逐步缩小,渠道逐步扁平化,经销商也在面临着如下转型。
1、 增加服务功能。帮助厂商去规划市场,对下游的零售商要有经营指导的能力,做到上下游互动。
2、 区域化扩张。高端放货的经销商很难生存,一定要服务终端,扁平化的扩张。
3、 更加专业化。一定要注重人员的专业能力。
4、 降低管理运营成本,提高效率。

( {9 A; d6 r6 k: m6 u7 w# D

4.4关于价格的说明

: d/ A3 J' C& B) S6 _( r0 A

以上价格适用于8mm E0级带抗菌功能的地板。一些厂商实施差异化战略,如菲林格尔、德尔、金刚欧德等,他们注重技术创新,产品独特,具有高附加值,价格自然也要稍高一些。而“五劣”由于其产品不符合标准,成本会远低于如上的核算,所以价格会低得难以想象,不在此讨论之列。

回复

使用道具 举报

10
发表于 2006-3-23 16:03:44 | 只看该作者

5 强化木地板消费指南

5 强化木地板消费指南

: [9 U2 [$ j: A& j

5.1. 存在的问题

" x# x& ~9 Q; U% l' |# _! P% a% ~

5.1.1 强化木地板市场不规范现象
第一、夸大其词,冒充环保
有些商家利用消费者在绿色环保与绿颜色的差异混淆视听。在基材板中加入绿色颜料,把基材染成绿色,即对外宣传是绿色环保产品。用劣质的材料,宣传时夸大其词,骗取消费者信认。
第二、质量低劣,不合要求
强化木地板产品质量取决于产品综合性能的优劣,部分厂商为了达到降低强化木地板生产成本的目的,采用降低质量的手段,使得强化木地板不但不耐磨,而且层与层之间粘结力下降,防潮、抗变形能力变弱,品质得不到保证。部分厂商采用低质油墨印制地板装饰纸,其结果地板几个月就变色。
第三、假冒伪劣,弄虚作假
目前国内各种不规范认证评比很多,造成了市场上有些低质、低价不合格的强化木地板都披上了“合格”、“推荐”、“进口”等外衣。甚至是使用一些假证书,同时,也要认清荣誉证书不完全等于品质保证书。
第四、偷梁换柱,以次充好
为了实现劣质板与合格板的“竞争”,部分商家见利忘义,以次充好。在地板样品展示时其产品规格、花色、价格、宣传资料都与合格产品保持一致,而实际销售时却偷换地板,以劣质产品充数。
第五、黑工安装,毫无规范
消费者在市场上购买强化木地板,最终享受的是包括产品、辅料配料、安装、售后各项服务等,而且,“三分产品、七分安装”已经成为地板消费的显著特点。有些厂商使用劣质辅料,不注重安装服务或黑工安装,毫无规范可言。
第六、狡兔三窟,服务打折
强化木地板的质量凭肉眼难以分辩,一些不负责任的厂商随意承诺,但其质量难以保障。他们为了逃避责任,经常更换经营地点,售后服务难以确保。

' v, G3 N$ L- a* b3 O" @" W0 q

5.1.2 消费误区
●不了解合理价格区间,盲目选择,重价格、轻质量、轻服务;
●不在规范场所购买;
●误把“绿芯”当作“环保”产品;
●被涂改、伪造、虚假的证明所误导;
●购买地板不留存有效票据,地板铺装完没有保修单;
●没有重视地板的综合指标,而一味追求个别指标;

6 a- F4 P7 M/ [0 J- Z- @! r

5.2. 强化木地板质量的判定

, o# {) G0 m+ ^

5.2.1 从外观判断质量
观察木地板的外观:合格的强化木地板正反两面均没有压痕、透底、崩边、龟裂、分层或雄舌及边角缺损;正面还不得有划痕、鼓泡、鼓包、纸张撕裂、局部缺纸现象。尤其是强化木地板的优等品正面不得有干湿花、有污斑或色泽不均等情况。
观察花纹的清晰程度:质量好的花纹清晰、排列自然、无重影、无污渍。
观察拼缝和高度差:随意抽取样板进行试拼,看拼缝处有无离缝现象,用手摸接缝处有无高低手感。如有,则质量较差。
观察断面:质量好的强化木地板断面木质紧密,质量差的强化木地板断面木质疏松。
检验耐磨层:通常可用砂纸手工在地板表面随意打磨20次左右,观察表面装饰花纹有无破坏,发现有破坏现象的,表明该地板耐磨性能指标达不到国家标准。

K, Y6 T7 a& {# D/ B

5.2.2 从理化指标来判断
1、耐磨转数:耐磨转数是体现地板耐磨性能的一个硬指标。目前我国的强化地板分为家用型和公共场合型两个等级,耐磨转数指标也有所区别,公共场合型要求转数大于等于9000,家用型则要求转数大于等于6000。另外,在耐磨性的检测中也细分有3个数据,即耐磨层在刚刚磨破、磨至中间和彻底磨穿三个时刻分别有各自的转数要求。有些不负责的商家则利用这些复杂的技术数据扰乱视听,误导消费者。
因此消费者在选购地板时,一定要求商家出示权威部门的检测报告,查看其环保指标和质量指标。正规的检测报告采用的是骑缝章的盖章方式,即三页纸的接缝拼在一起才能合成所盖的章。如果购买量大,还可以抽样送到质检部门检测。
2、甲醛释放量:强化木地板因生产所用的胶粘剂大多含有游离甲醛,国家标准GB18580—2001规定,强化木地板甲醛释放量必须达到E1级标准,即甲醛释放量不超过1.5mg/L,符合此标准的产品均可以安全在室内环境使用而对人体无害。现在市场上出现了E0级的产品,甲醛释放量不超过0.5mg/L。
3、基材:强化木地板目前主要有两种基材:一种是高度密纤维板,另一种是特殊形态的刨花板。基材密度越高,地板的力学性能、抗冲击性能越高。但它也不是越大越好。在同样条件下,基材密度越高其尺寸稳定性就受影响。
4、其它指标
(1)吸水厚度膨胀率:吸水厚度膨胀率反映产品的防潮性能,该指标值越低,防潮性能越好。而防潮性能差的地板在潮湿环境下,周边若密封不严,可能发大的膨胀变形。
(2)尺寸稳定性:该指标反映室内温湿度变化所引起的产品尺寸变化,以不超过0.5mm为合格。
(3)含水率:反映产品干缩湿胀程度的指标,根据国家标准,以3.0%—10.0%为宜。
(4)表面胶合强度:该指标反映强化木地板的表面装饰层与基材层之间的胶合质量,如果胶合质量差,产品在使用一段时间后,装饰层会产生剥离,国标要求大于等于1.0Mpa。
(5)内结合强度:该指标是反映基材内部纤维之间胶合质量好坏的关键,国标要求大于等于1.0Mpa。
(6)静曲强度:该指标是反映产品机械强度的重要指标,反映产品抵抗弯曲破坏的能力,国标优等品要求大于等于40Mpa。
(7)表面耐划痕:该指标反映产品抵抗尖锐硬物的能力。表面耐划痕值越高,抵抗尖锐硬物的能力就越强。优等品应大于3.5N,表面无整圈连续划痕。
(8)表面耐香烟灼烧:该指标反映产品的表面阻燃性能。香烟灼烧后,地板无黑斑、裂纹和鼓泡为合格。
(9)表面抗冲击性:该指标反映产品耐冲击能力。采取落球试验,观察在重球落下后,试件表面有无凹陷。该指标不超过12rum为合格,通常强化木地板都无明显凹陷。
(10)表面耐污染、耐干热、耐龟裂、耐水蒸汽、耐冷热循环:以经过相应测试后,表面无污染、无龟裂、鼓泡、突起、变色等为宜。

/ q) n- V4 N+ c. r3 O" q2 D

5.3.质量与价格的判定

/ Z' n+ ~3 b) |+ _( _6 u8 Z

强化木地板中存在着一种消费观念,就是认为花样都差不多,质量也大同小异。其实这是一种消费误区,是很不理性的表现。

2 ]8 k' g- ^6 n: x5 d8 o/ @' |

事实上,“一分钱一分货”“货比三家”,在购买地板时,这些经典理念同等重要,不能把目光仅仅放在价格上,而是要关注其产品的性价比,即同质的产品价格越低越好,等价的产品质量越高越好。在这里面还要注意一个问题,即一定要先看质量,再问价格。无利可图的生意是没有人做的,价格太低的产品其质量也不会太高。一般而言,8mm E0级的抗菌功能地板渠道销售的终端参考价格为65元—69元,即可以在专卖店买到正规厂商的E0普及抗菌型的优质产品。

2 a5 q4 G" a& T- L' t

5.4.选购提示

1 y( P0 ~$ `2 }5 Z: o, ^' [" {7 A

强化木地板产品大多数是品牌经营,规模生产,对售后服务有所保障。
强化木地板优于其它类别的地板主要在于它的耐磨、防潮和抗冲击及环保性能上,且款式丰富。
强化木地板打理简单,不易变形,产品使用寿命长,价格适中。

* K3 D, x4 f3 d- u; z8 {

这些是选择强化木地板产品的主要依据。消费者可以根据自己的需求,选择适当的强化木地板产品,一个原则就是要选择有品牌、有服务且拥有良好性价比的产品。

5.4.1 如何选择产品的功能
随着市场的细分,强化木地板的功能性产品越来越多。如防潮功能性地板,这种地板对于产品的防潮性能进行了特别的设计,如采用特殊结构的锁扣,使接缝更加紧密、牢固,从而防止水分从表面向基材内部渗漏,加上特殊设计的防潮基材,能够在环境遭到水的侵蚀后,尺寸性能不发生大的改变。再者有些产品在其锁扣位置涂附了石蜡等防水材料,从而将产品有效的与潮气隔离,也可以达到防潮的目的,因此这类以防潮为主要功能的地板,在我国特别是南方广大地区有着相当的市场。抗菌地板,通常采用在耐磨层内部分布与层间涂附或添加抗菌材料的方法使产品达到一定的抗菌功能。静音地板通常采用在地板背面粘附一层静音层(通常为软性材料),这样的产品由于改善了与地面接触的方式,另外产品的结合也采用了相对静音的设计,踩在地板上面也避免了由于块与块之间接缝的摩擦而产生的声音。背面的静音材料在大大改善脚感的同时,也大大减少了走在地板上的声音。地热采暖地板,集中的功能表现在当地板产品被加热之后,其产品的各项综合性能指标仍然能稳定在一定的范围之内,并且产品的健康指标(甲醛释放量)稳定在国家标准范围内,产品在被加热后能够达到良好的热传导性能,才是一款功能性好的地热地板。这种产品对基材的稳定性、产品的防潮性能及产品的力学强度都有着严格要求。运动型地板,添加了运动加强层,其韧性、抗冲击性、耐磨度、稳定性、强性和运动性等指标都产生阶段性提升,为室内运动提供了更大的空间。

5.4.2 如何选择产品的款式
强化木地板款式多样。由于表面装饰层很容易策划和设计,因此给强化木地板款式带来了丰富的表现力。按一块地板宽度方向有几块地板图案就称为几拼板,可以分为单拼板、双拼板和三拼板。通常房间比较小的,宜采用双拼或三拼板,而房间比较大的则多选用单拼。在产品款式中还分为彩色板和原色板,其中彩色板则是保持原有木材纹理的开头而对其颜色进行调整,以适合整体配色的需要。原色板则遵循木材原有的色泽为主。地板的款式多样,还包括运动赛道、棋盘空间、儿童卡通图案地板、厨房系列地板等。根据木材的天然特性进行表面设计,以达到凸显某些木材的天然特色,如虫孔、腐朽、变色、节疤等的创意效果。

5.4.3 如何选择产品表面结构
强化木地板按表面结构分,常见的有光面、麻面、针状面、浮雕面、凹凸面等。其中,光面结构表面光滑、光亮、不易藏污纳垢,易清洁。现在光面的工艺也比较先进,如靓面技术,就是通过压制过程中的镜面工艺而获得光亮,具有反射性能的表面效果,同时保持产品表面的高耐磨性,是地板制造最新科技的代表。此外,在表面压制过程中,压上一些细微的表面纹理,这样的工艺称为麻面,这些细微的纹理通常比较浅和密,具有一定的质感。浮雕面分为大浮雕、小浮雕两种,如仿木纹浮雕面,天然木质纹理感和视觉立体感强。好的浮雕地板要求纹路自然清晰,结构平滑,质地结实,显微放大后无明显边缘痕迹。浮雕纹理的透明度要求清晰一致,这对构成浮雕结构的耐磨层压制工艺、压制模板、压制设备有极高的要求。目前强化木地板的表面结构处理方式十分多样,消费者可根据自己的喜好进行选择。

回复

使用道具 举报

11
发表于 2006-3-23 16:20:16 | 只看该作者

6 科学消费,诚信回归

$ a" B5 _5 h9 Z9 N0 Z" }

6.1.警剔“五劣板”

$ l# ?& W" X: l$ T4 m# i3 e$ w

目前市场上存在着恶性竞争的行为,某些“五劣板”以极低的价格冲击市场,何谓“五劣板”?这是业内对目前市场上最主要的五种不合格产品的统称,即:怪味板:甲醛严重超标;短命板:短时间内变形、失光、褪色、不耐磨;酥芯板:价廉质低,采用不合格基材;李鬼板:冒名、抄袭、仿制名牌产品;作坊板:小木工加工厂生产的不达标地板产品。2003年这些产品已是老鼠过街人人喊打,但是这些不法厂商不肯就此罢休,又开始搞起了巧妙而高明的新花样,这些改换了面孔而危害更甚的“五劣板”被称为“新五劣板”,其组成为:“搭车板”、“留洋板”、“回扣板”、“隐身板”、“游击板”,个个神通广大。

6 p3 e# _$ b3 P

●“搭车板”:利用不规范的评比,把自己的名字跟在名牌后面搭车。
●“留洋板”:花钱办一个进口证明,让消费者误以为是进口地板,而实际上买进了“五劣板”。
●“回扣板”:采用送回扣等手段,进入目前流行的精装修楼盘,使精装修用户的权益在不知不觉中受到侵害。
●“隐身板”:商家和一些不规范装修公司联合,成为装修公司推荐的地板。消费者信任装修公司的配套服务,放心地让专业人士为自己选择地板,结果让劣质地板有机可乘。
●“游击板”:在北京、上海对“五劣板”的检查相对严格的情况下,进军小城市,利用小城市的消费者对“五劣板”认识的相对不足,抢占二、三级市场。

8 ^- I& d; ~" ^' u& Y

6.2.购买场所的选择

( n2 h) {- |4 x3 c' K6 \4 o, v

名牌地板一直使用专卖店和专柜的连锁销售模式和大规模的建材超市。从经营上说,专卖店,专柜和建材超市,经营合法、手续齐全、管理规范、质量可靠、售后服务明确且有保障。

; Y; m, a. C9 f2 I/ U/ ~

从品牌上说,专卖店,专柜和建材超市所经营的品牌是最好的保障,因为品牌的实力与影响,不是某一天突然诞生的,而是商家在严格的自律中一天天积累得来的。同时,企业形象和企业品牌也往往是企业研发能力、经济实力、管理水平、产品质量、售后服务的集中体现。

& r4 p% l4 p) p6 _ |, m, m! w# C

6.3.为消费者创造新价值

1 o: i+ d+ G5 s: c" k$ X' p Q

目前的市场鱼龙混杂,给消费者消费造成了不良影响,我们呼吁社会多方共同努力,将各方面的力量结合起来,规范市场运作,为消费者创造更多的价值。

: X1 u% d) [( E- ]) d- X

1、 规范市场,各司其责
为了行业的良性发展,各监管部门要加大监督力度、加强宣传,通过培训、倡导行业自律等手段规范市场;媒体要加大传播力度,引导正确的消费观念;企业要制定可持续发展的战略,恪守商业道德,致力于为消费者创造新价值;消费者要学习自我保护与维权的知识,加强监督力度。
2、鼓励企业开发新产品及自主知识产权
加强知识产权保护,鼓励自主创新是当前国家发展的基本战略。一个企业如果没有核心的自主知识产权很难打造核心竞争力,尤其是强化木地板行业,产品同质性强,企业想要发展,就必须以消费者的需求为目标不断地进行创新,也只有创新才是企业不断发展壮大的力量源泉。我们鼓励企业更多地拥有自主知识产权,通过产品的创新或成本的节约,为广大消费者带来更多的利益。

. R: {- ?( g X, ?& u8 I

3、尊重消费者的知情权
由于信息不对称,消费者往往对相关的产品知识、消费知识缺乏了解,但我们应该尊重消费者的知情权,加大宣传力度,引导消费。当前的强化木地板市场良莠不齐,为了确保消费者的利益,为其提供放心的市场环境和实惠的产品,我们公开了强化木地板的详实成本细节,以期消费者选择时有所依据,明白消费。

8 F, ~6 U, \% Q$ H

回复

使用道具 举报

12
发表于 2012-2-18 13:47:20 | 只看该作者
。。。。没看懂,是不是说现在国内市场地板存在很大问题?/ V! }- i: z" f
回复

使用道具 举报

13
发表于 2015-11-8 10:37:23 | 只看该作者
太专业的文章,不太适合偶....不过还是了解到强化的整体结构,用料...学习了。
回复

使用道具 举报

您需要登录后才可以回帖 登录 | 注册

本版积分规则

快速回复 返回顶部 返回列表